製品案内
|
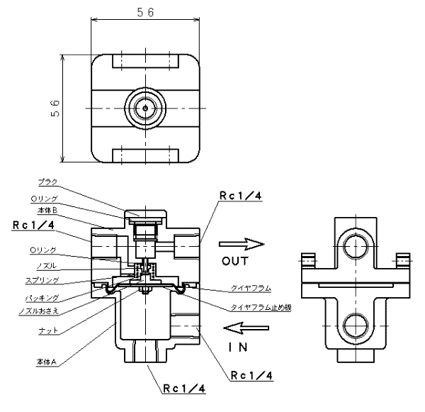
PGH 定差圧弁付きは小流量の液体、気体の簡単な流量計測に適したコンパクトで低コストの流量計です。 |
| 型式 : PGH + 定差圧弁付き | |
| 接続口径 | Rc 1/4 |
| 測定流体 | 液体 ・ 気体 |
| 測定範囲 | 1 :10 (10〜100%) |
| 最高使用圧力 | 1 MPa(G) 許容差圧 0.5MPa |
| 使用温度範囲 | 0 〜 +60℃ |
| 取付方法 | 垂直取付 |
| 定差圧弁材質 | SCS14 (BODY SUS316) ダイヤフラム:PTFE |
| 許容差圧 | IN〜OUT 間 0.5 MPa |
| 作動差圧 | 0.06 MPa (60kPa) 一定 |
| 制御精度 | ±5% F.S. (流量精度は別途加算) |
| 気体の作動 | 1次圧、2次圧のどちらかが一定であることが必要で流量計は圧力が一定な位置に設置する。 |
| 液体の作動 | 1次圧、2次圧の変動に関係なく常に一定流量を保つ。 (1次圧、2次圧のどちらが変動しても一定流量を保つ。) |
|
本型式の流量計はダイヤフラム前後の定差圧により一定流量を得る目的であり、一般にレギュレータ と呼ばれている2次側圧力を一定にする目的のものではありませんのでご注意ください。 定差圧弁付き流量計の精度は定流量弁の「制御精度」と流量計の「精度」を加算した値となります。 |
|
| @AB | CD | E | F | G | H | I | J | K | L | 型式番号 |
| 機種 | 機能 | 流れ方向 | 口径 | 接続 | 規格 | 材質 | 付加1 | 付加2 | 付加3 | 型式名称 |
| PGH | □□ | □ | □ | □ | □ | □ | □ | □ | □ | 型式記号 |
|
↑ 機 能 |
↑ 流 れ 方 向 |
↑ 口 径 |
↑ 接 続 |
↑ 規 格 |
↑ 材 質 |
↑ 付 加 1 |
↑ 付 加 2 |
A | 付加なし (標準) | |
| C | 脱脂処理 (旧:禁油処理C1) | |||||||||
| D | 禁油処理 (旧:禁油処理C2) | |||||||||
| Z | 特殊 | |||||||||
| A | 付加なし (標準) | |||||||||
| T | ホースニップル付き | |||||||||
| Z | 特殊 | |||||||||
| A | 付加なし (標準) | |||||||||
| B | バルブ入口側(下)付き | |||||||||
| C | バルブ出口側(上)付き | |||||||||
| D | バルブ出口側(上)付き+定差圧弁1次圧変動 | |||||||||
| E | バルブ出口側(上)付き+定差圧弁2次圧変動 | |||||||||
| Z | 特殊 | |||||||||
| E | SUS304 (標準) | |||||||||
| Z | 特殊 | |||||||||
| H | JIS ネジ込み | |||||||||
| Z | 特殊 | |||||||||
| D | 規格:H | JIS Rc めネジ | ||||||||
| Z | 特殊接続の場合はご相談ください。 | 特殊 | ||||||||
| B | Rc1/4 | (1/4B) (標準) | ||||||||
| Z | 特殊 | |||||||||
| 5 | 下後→ 上後 (標準) | |||||||||
| 9 | 特殊 | |||||||||
| 10 | 指示のみ (標準) | |||||||||
| 99 | 特殊 | |||||||||
記事1. 型式記号選択は13桁(英数字)全てを選択していただくことになります。 記事2. 選定サンプル PGH105BDHEDAA 1〜3桁は英字、4〜6桁は数字、以降は英字となります。 記事3. 流体名、流体密度、流体粘度、流体圧力、流体温度、最大流量、流量単位、台数 の仕様は別途ご指定ください。 |
| 流量計のお引き合いの場合は上記型式記号以外に、仕様書の「納入仕様書図面」を発行させていただきます。 納入仕様書図面には流体名、流体密度、粘度、流量範囲、流量単位、最高使用圧力、最高使用温度、台数 等の仕様が記入されています。 |
| PGH H2O流量表 | |||
| 標準品 | 標準流量範囲 | ||
| H2O L/h | |||
| 1 | 〜 | 10 | |
| 2 | 〜 | 20 | |
| 3 | 〜 | 30 | |
| 5 | 〜 | 50 | |
| 6 | 〜 | 60 | |
| 8 | 〜 | 80 | |
| 10 | 〜 | 100 | |
| PGH AIR流量表 | |||
| 標準品 | 標準流量範囲 | ||
| L/h(ntp) | |||
| 10 | 〜 | 100 | |
| 20 | 〜 | 200 | |
| 40 | 〜 | 400 | |
| 60 | 〜 | 600 | |
| 100 | 〜 | 1000 | |
| 120 | 〜 | 1200 | |
| 150 | 〜 | 1500 | |
| 200 | 〜 | 2000 | |
| 注記1)流量レンジは最大値を100%として最小値は10%となります。 |
| 注記2)AIRの流量は20℃ 1atm=0kPa(G)の操業状態です。 |
| 加圧操業、AIR、以外の場合は流量換算して選定して下さい。(換算方法はこちら) |
| 注記3)上記品の外形サイズは全て同寸法です。 |
| PGH + 定差圧弁付き 流量計 選定資料 |
| 定差圧弁付き流量計の構造と機能を以下で説明します。 (以降、定差圧弁を CV と呼びます。) |
|
|
|
|
| PGH 気体1次圧変動形 仕様説明 作動特性の説明 1次圧P1が変動、2次圧P3は一定圧力、P2−P3は一定である(定差圧弁の定義)ゆえに、P2は常に一定圧力である。 よって、バルブの開度が一定ならば流れる Operation 流量は一定となりP2(流量計目盛設定圧力)が一定のために Normal 流量も一定となる。 P2−P3とはダイヤフラムの前後の圧力差であり、バルブ前後の差圧といえる。 P2−P3を作動差圧と呼び、その値はダイヤフラムの大きさとスプリングの力で決まる。 流量計仕様の設定 作動差圧 0.06 MPaのCVの場合P2−P3=0.06 MPaでありP3(2次圧一定)が 0.1 MPa(G)の場合 P2=P3+0.06 MPa=0.16 MPa(G)となる。 流量計目盛設定圧力 P2 は 0.16 MPa(G)となる。 P2 = P3+0.06MPaG で流量計を製作する。 P1はP2より大きい圧力が必要であり、この場合は 0.16 MPa(G)以上が必要となる。 2次圧一定のP3を指定して、作動差圧 0.06 MPaを加味して、1次圧変動範囲を設定する。 型式:PGHの場合に最高使用圧力は 1 MPa(G)なので1次圧変動範囲は0.16〜0.6MPa(G)の範囲が精度内で一定流量となる。 用語 1.作動差圧 :定流量を満たす条件でのダイヤフラム前後の差圧 P2-P3 で、その値は一定である。 2.許容差圧 :IN-OUT間(P1-P3)の定流量弁が許容する最大差圧を云う。 3.許容差圧範囲 :IN-OUT間(P1-P3)の定流量弁が許容する差圧の範囲で 0(MPa)〜許容差圧までを云う。 4.最高使用圧力 :定流量弁と組み合わせた流量計を含めて、使用できる1次圧力の最大値を云う。 5. 流量計目盛設定圧力 :流量計の目盛製作に適用する圧力 P3+0.06MPaG 又は P3+60kPaG 6. 制御精度:CV単独の精度(流量計の精度は別途) 注意事項 1.流量計を付ける位置は必ず一定圧力でなければならない。 2.この構造で2次圧力が変動しても P2−P3は常に一定であり、よって Operation流量は一定のためにフロートの高さ位置は一定となり 見かけ一定流量に見えるが流量計部分の圧力P2が変化しているので Normal流量は圧力変化分、変動している。 2次側圧力が一定になるように設置してください。 3.CVでは1次圧、2次圧どちらが変動しても P2−P3が一定のため、Operation流量は一定であるが、流量計部分の圧力が一定の場合 のみ Normal流量が一定となる。 4.液体の場合は圧力による密度変化が無いので1次圧変動、2次圧変動、1次圧2次圧共に変動してもバルブの開度が一定ならば流量 は一定となる。 5.ピストン形ポンプ、往復動ポンプなどのように短時間、間欠的に流量が変動する流れにはダイヤフラム構造の本品では定流量を得る ことはできませんのでご注意ください。 |
| 記事 |
| 1. 本構造の特徴はバルブを流量計2次側に設置しているために気体2次圧が低圧の場合でも流量計部分のP2圧力は 0.06 MPa(G)以上 になるためにフロートが安定しハンチングしにくい構造と云える。 気体2次圧が負圧で使用する場合は大気圧から-0.02MPa(G) (水銀柱610mmHg)までの負圧でご使用ください。 つまり水銀柱0〜610mmHgの真空域でのご使用はフロートが不安定となるため使用しないでください。 流量計1次側にバルブを付けることもできますが、2次側の負荷変動によりフロートが不安定になりやすく気体の場合ではハンチング現象 が発生する場合もありますので、バルブは2次側に設置することをお薦めいたします。 ハンチング現象については「技術資料:一般編5.面積流量計ハンチング現象」を参照ください。 (本構造は気体全般について推奨する/気体2次圧力が大気圧・負圧・加圧 の仕様の場合) (液体は全ての仕様に本構造を用いる、1次圧変動、2次圧 変動、1次圧2次圧共に変動の場合に適用可能) |
| 2. IN〜OUT間の許容差圧は0.4MPaです。 |
| 3. 定流量弁本体材質はSCS14(SUS316鋳物)ですが、スプリングはSUS304、ダイヤフラムはPTFEとなります。 |
| 4. 定流量弁の特長は許容差圧以内であれば1次圧力、2次圧力がどのように変動しても流量調整バルブ前後の差圧が一定になるので、
Operation流量は常に一定になります。 気体の場合は流量計が付いている箇所の圧力が一定の場合は Normal流量も一定になり液体の場合は Operation、Normalの区別 が無いので圧力変動の箇所に関係なく常に一定流量になります。 ただし、液体の場合に気泡が混入しているとダイヤフラムが変動してフロートが安定しないことがありますのでご注意下さい。 |
| 5.必要仕様/気体 5-1. 1次圧力変動範囲 例:100kPa(G)〜500kPa(G) など 60kPaG以上必要 5-2. 2次圧力(一定値) 例:20kPa(G) 、 0kPa(G) / 1atm など 例:20kPa(G) (この場合の流量計目盛設定圧力=20+60kPa(G)=80kPa(G) になります。) 例:1atm (この場合の流量計目盛設定圧力=0 +60kPa(G)=60kPa(G) になります。) 5-3. 流体名 、最大流量 、気体密度:kg/m3(ntp) 、 温度 |
| 6.必要仕様/液体 6-1. 1次圧力変動範囲 例:100kPa(G)〜500kPa(G) など 60kPa(G)以上必要 6-2. 流体名 、 最大流量 、液体密度:kg/m3 、 温度 |
|
2次圧設定が 0MPa(G)大気圧の場合 |
![]() |
| 2次圧設定が 0MPa(G)の例では、作動差圧(定差圧) 0.06 MPaのCVの場合
、定流量開始は 0+0.06 MPa=0.06 MPa(G)であり 0.06〜0.5 MPa(G)の範囲が精度内で一定流量になる。(上グラフ参照) |
|
2次圧設定が 0.1 MPa(G)の場合 |
![]() |
| 2次圧設定が 0.1 MPa(G)の例では、作動差圧(定差圧)0.06 MPaのCVの場合
、定流量開始は 0.1+0.06 MPa=0.16 MPa(G)であり 0.16〜0.5 MPa(G)の範囲が精度内で一定流量になる。(上グラフ参照) |
|
|
|
|
| PGH 気体専用2次圧変動形 仕様説明 作動特性の説明 1次圧P1が一定、2次圧P3が変動、P1−P2は一定である(定差圧弁の定義)ゆえに、P2は常に一定圧力である。 よって、バルブの開度が一定ならば流れる Operation流量は一定となりP1(流量計目盛設定圧力)が一定のために Normal流量も一定となる。 P1−P2とはダイヤフラムの前後の圧力差であり、バルブ前後の差圧といえる。 P1−P2を作動差圧と呼び、その値はダイヤフラムの大きさとスプリングの力で決まる。 流量計仕様の設定 作動差圧 0.06 MPaのCVの場合 P1−P2=0.06 MPaでありP1(1次圧一定)が 0.5 MPa(G)の場合 P2=P1−0.06 MPa=0.44 MPa(G)となる。 流量計目盛設定圧力はP1の0.5 MPa(G)となる。 1次圧一定のP1を指定して、作動差圧 0.06 MPaを加味して、2次圧変動範囲を設定する。 型式:PGHの場合に最高使用圧力は 1 MPa(G)なので2次圧変動範囲は0〜0.5 MPa(G)の範囲が精度内で一定流量となる。 注意事項 1. 流量計を付ける位置は必ず一定圧力でなければならない。 2. この構造で1次圧力が変動しても P1−P2は常に一定であり、よって Operation流量は一定のためにフロートの高さ位置は一定となり 見かけ定流量に見えるが、流量計部分の圧力P1が変化しているので Normal流量は圧力変動分、変動している。 3. CVでは1次圧、2次圧どちらが変動しても P1−P2が一定のため、Operation流量は一定であるが、流量計部分の圧力が一定の場合 のみ Normal流量が一定となる。 気体2次圧が負圧で使用する場合は大気圧から-0.02MPa(G) (水銀柱610mmHg)までの負圧でご使用ください。 つまり水銀柱0〜610mmHgの真空域でのご使用はフロートが不安定となるため使用しないでください。 4. 本構造で液体を流すとダイヤフラム下部室上部に空気だまりができフロートが安定せず、正常に作動しないために液体には適用しない。 |
| 記事 |
| 1. 本構造の特長はバルブを流量計2次側に設置しているために流量計目盛設定圧力は1次圧のP1となる。 バルブを1次側に設置することはありません。 |
| 2.必要仕様/気体 2-1.2次圧力変動範囲 例:0kPa(G)〜400kPa(G) など 2-2.1次圧力(一定値) 例:500kPa(G) など 60kPa(G)以上必要 例:500kPa(G) この場合の流量計目盛設定圧力= 500kPa(G) となります。 2-3.流体名 、最大流量 、気体密度:kg/m3(ntp) 、 温度 |
|
1次圧設定が 0.5 MPa(G)の場合 |
![]() |
| 1次圧設定が 0.5 MPa(G)の例では、作動差圧(定差圧) 0.06 MPaの CV の場合
、定流量範囲は2次圧(P3)が 0.5−0.06 MPa=0.44 MPa(G) であり、2次圧(P3)が 0〜0.44 MPa(G)の範囲が精度内で一定流量になる。(上グラフ参照) |
|
1次圧設定が 0.3 MPa(G)の場合 |
![]() |
| 1次圧設定が 0.3 MPa(G)の例では、作動差圧(定差圧) 0.06 MPa(G)の CV の場合
、定流量範囲は 2次圧(P3) 0.3−0.06 MPa=0.24 MPa(G) であり、2次圧(P3)が 0〜0.24 MPa(G)の範囲が精度内で一定流量になる。(上グラフ参照) |
![]() |
| 上記仕様表で規定の最高使用圧力、使用温度
範囲 それぞれの 限度を超えて使用しGLASSが破損飛散した場合、人体に危害が加わる恐れがあります。 取り扱いには充分ご注意くださいますようお願いいたします。 |
![]() |
| 衝撃、運搬時落下破損などでGLASSが割れた場合は 割れたGLASS破片で人体に危害が加わる恐れがあります。 取り扱いには充分ご注意くださいますようお願いいたします。 |
![]() |
| 冬季など、流体が凍結した場合にGLASS
TAPER 管が流体凍結膨張により 破損割れが発生して人体に危害が加わる恐れがあります 凍結の可能性がある場合は流体を配管から抜くなどの処置をして下さい。 取り扱いには充分ご注意くださいますようお願いいたします。 |